Siete qui: catalogo ·coppia·torsiometro 01286Descrizione: torsiometro rotativo (puleggia dinamometrica) modello 01286, per misure di coppia dinamiche (orarie ed antiorarie) idoneo per sistemi con pulegge (campo da 13,5 Nm).
Attenzione: il torsiometro mostrato non è un prodotto di serie. Contattaci preventivamente per verificare la disponibilità dei campi di misura, le massime velocità di rotazione (rpm) e le relative tempistiche di consegna.
Torsiometro rotativo (puleggia dinamometrica) modello 01286, per misure di coppia dinamiche (orarie ed antiorarie), idoneo per sistemi con pulegge (campo da 13,5 Nm).
Torsiometro Modello 01286: generalità
Il torsiometro rotativo modello 01286 è un dispositivo meccanico basato su strain gauges (estensimetri), pensato per il rilievo di coppie di rotazione
(orarie ed antiorarie), con velocità di rotazione massima fino a 3000 rpm (velocità superiori sono disponibili su richiesta).
Tipicamente questi torsiometri si prestano quindi per il monitoraggio di coppie sviluppate da organi rotanti, basati su sistemi a pulegge, quali ad esempio motori, generatori,
sistemi di pompaggio fluidi, sistemi HVAC, etc..
Grazie alla sua costruzione estremamente compatta, completa di puleggia multi-gola integrata, il torsiometro 01286 è particolarmente idoneo per tutte quelle applicazioni ove sia
prevista la trasmissione del moto, attraverso sistemi con pulegge.
Il torsiometro modello 01286, a meno di concordare versioni "custom" con il costruttore, è disponibile con un unico campo di misura (13,5 Nm), basato su una
configurazione di strain gauges disposti a ponte di Weathstone intero (350 ohms).
Quando fornito congiuntamente a dispositivi di misura o con visualizzatori offerti sempre dallo stesso costruttore del torsiometro (SDI), è possibile richiedere il
trasduttore di coppia completato dalla funzione di autoidentificazione, grazie alla quale i dati di calibrazione, univoci, del singolo torsiometro, vengono immagazzinati
su un modulo di memoria E2prom, e resi disponibili per automatica "scalizzazione" e calibrazione dello strumento di volta in volta collegato al trasduttore di coppia
(per maggiori informazioni riferirsi al relativo articolo tecnico su opzione AutoID).
Torsiometro Modello 01286: caratteristiche principali
buona accuratezza di misura;
trasduttore di coppia termocompensato;
possibilità di opzione AutoID per autoidentificazione;
costruzione corpo sensore senza saldature, lavorato da barra piena;
torsiometro rotativo in esecuzione "pulley" (puleggia dinamometrica);
torsiometro fornito completo di certificato di calibrazione A2LA(1), senza costi aggiuntivi.
Torsiometro Modello 01286: cenni costruttivi
La struttura metallica a corpo unico del torsiometro 01286, viene ottenuta per lavorazione meccanica da barra metallica piena, onde evitare strutture sensorie
assemblate o saldate, che peggiorerebbero la prestazione finale del trasduttore di coppia (sia in termini di accuratezza complessiva, ma soprattutto sotto forma di
errore di isteresi). Tipicamente questa struttura metallica ospite viene sagomata in modo particolare rispetto al tipo di sollecitazione meccanica per cui la stessa
viene finalizzata,
in modo da poter rilevare e "concentrare" gli effetti del fenomeno applicato, in zone specifiche della struttura stessa. In queste stesse zone, vengono deposte ed
incollate delle resistenze estensimetriche (strain gauges), che hanno la prerogativa di modificare il loro valore ohmico, in funzione della sollecitazione
meccanica alla quale sono stati sottoposti: questi estensimetri sono quindi elettricamente collegati a ponte di Weathstone intero, in modo da risultare
particolarmente sensibili ad ogni minima sollecitazione applicata, rispetto alla condizione di equilibrio, a riposo.
Ulteriori dispositivi passivi, garantiscono la termocompensazione del torsiometro (correggendo le derive termiche degli estensimetri) ed il bilanciamento a zero
della configurazione di estensimetri (riduzione della figura di offset), in modo che il segnale di trasduzione, a riposo, coincida (per quanto possibile),
con lo zero elettrico.
Tipicamente, la configurazione di estensimetri viene poi protetta con strati protettivi in elastomero (o altri materiali plastici) e/o con gusci metallici esterni
protettivi.
Questo trasduttore di coppia non è amplificato, e pertanto si comporta come un dispositivo passivo puramente raziometrico, e per tale ragione il relativo segnale
di uscita viene tipicamente definito come mV/V, ovvero mV di segnale per Volt di alimentazione: esemplificando e considerando un trasduttore di coppia con segnale di
uscita pari a 2 mV/V, alimentato a 10 Vcc, si intende che lo span del segnale offerto, è pari a 2 mV x 10 Vcc => 20 mV di segnale (±20 mV per dispositivi
bidirezionali, quali appunto il torsiometro, utilizzabile sia per sollecitazione oraria che antioraria).
L'accoppiamento elettrico tra la parte sensibile rotante (albero del torsiometro), e il contenitore statorico costruttivo esterno, viene realizzato mediante collettori
costruiti in silver coin massiccio (lega in Ag e Cu, che per sua natura è altamente conduttiva), il cui ossido superficiale (che abbia eventualmente a svilupparsi,
ad esempio in caso di prolungato inutilizzo), è un conduttore ancor migliore del silver coin stesso: soltanto utilizzando questi materiali, sarà infatti possibile
veicolare segnali di pochi mV, anche ad elevate velocità di rotazione.
Torsiometro Modello 01286: codifica modelli e campi di misura
A meno di concordare con il costruttore versioni di prodotto "custom", si segnala che il torsiometro rotativo (puleggia dinamometrica) modello 01286, è
disponibile unicamente con campo di misura da ±13,5 Nm (±120 inlbs), con velocità massime di rotazioni pari a 3000 rpm (prodotto speciale, non di serie).
Torsiometro Modello 01286: caratteristiche tecniche
buona accuratezza di misura;
campo di misura: ±13,5 Nm (120 inlb);
sovraccarico massimo applicabile: 150% FS;
segnale di uscita: 2 mV/V, nominale;
non linearità: 0,15% FS (espressa come massima deviazione (2));
isteresi: 0,15% FS (espressa come massima deviazione (2));
bilanciamento di zero: 1% FS;
campo di temperatura compensato: da 70°F a + 170°F (da 21°C a +77°C);
campo di temperatura operativo: da -60°F a + 250°F (da -51°C a +121°C);
effetti in temperatura sullo zero: 0,002%FS/°F;
impedenza del ponte: 350 ohms;
massima tensione di alimentazione: 20 Vcc;
connessione elettrica: connettore standard militare, completo di controconnettore volante;
dimensioni: vedasi disegno sottostante, o documentazione PDF.
Torsiometro Modello 01286: documentazione di riferimento
(1) - Ogni trasduttore di coppia è fornito completo di certificati di taratura redatti direttamente dal costruttore (SDI), con riferibilità NIST
(National Institute of Standard Technologies - USA), e comunque in accordo alle normative di riferimento ISO/IEC 17025:2005 ed ANSI/NCSL Z540-1-1994. Si segnala inoltre che il laboratorio interno ad SDI è
accreditato A2LA, organismo che persegue il mutuo riconoscimento delle certificazioni emesse, insieme ai firmatari degli ulteriori accordi internazionali
quali ad esempio APLAC, IAAC, e ILAC MRA (International Laboratory Accreditation Cooperation). Conferme circa la sottoscrizione dell’accordo MRA (Mutual
Recognition Agreement di ILAC) da parte di A2LA, possono essere ottenute tramite il seguente hyperlink:
http://www.a2la.org/recognition/cooplabs.cfm, mentre per quanto riguarda il nostro ente di riferimento
Accredia (Ex SIT - Servizio di Taratura in Italia), parte del circuito Europeo EA
(European Accreditation, che a sua volta persegue l'accordo multilaterale EA MLA), consigliamo di prendere completa ed attenta
visione del seguente hyperlink: https://www.accredia.it/chi-siamo/rete-internazionale/.
Per quanto indicato, le certificazioni A2LA prodotte da SDI (a corredo di ogni trasduttore di coppia fornito), sono ritenute equipollienti alle certificazioni
emesse con titolo Accredia: poiché gli hyperlinks descritti possono essere fatti oggetto di spostamenti e/o aggiornamenti, in caso di ogni possibile dubbio,
Vi invitiamo a contattare direttamente l'organismo Accredia onde verificare l'effettiva consistenza e rispondenza di quanto sopra indicato.
(2) - Gli errori statici del torsiometro sono espressi come deviazione massima tra la retta reale e quella ideale e quindi il dato è privo di segno; altri costruttori esprimono queste figure di errore come
comprese tra una banda di valori, tipicamente definita tra ±½ della massima deviazione, quali ad esempio la notazione BSL (Best Straight Line - Line of Best Fit), per la quale tipicamente l'errore è invece
definito in una banda di errore (±0,0x %FS). Per maggiori delucidazioni, è possibile prendere visione circa le terminologie utilizzate dal costruttore, per esprimere le caratteristiche di errore riferite ai propri
trasduttori di coppia (Transducer Definitions).
Siete qui: catalogo · coppia· torsiometro 01286 Descrizione: torsiometro rotativo (puleggia dinamometrica) modello 01286, per misure di coppia dinamiche (orarie ed antiorarie) idoneo per sistemi con pulegge (campo da 13,5 Nm).
Attenzione: il torsiometro mostrato non è un prodotto di serie.
Contattaci preventivamente per verificare la disponibilità dei campi di misura, le massime velocità di rotazione (rpm) e le relative tempistiche di consegna.
Torsiometro rotativo modello 01286
Torsiometro rotativo (puleggia dinamometrica) modello 01286, per misure di coppia dinamiche (orarie ed antiorarie), idoneo per sistemi con pulegge (campo da 13,5 Nm).
Torsiometro Modello 01286: generalità
Il torsiometro rotativo modello 01286 è un dispositivo meccanico basato su strain gauges (estensimetri), pensato per il rilievo di coppie di rotazione (orarie ed antiorarie), con velocità di rotazione massima fino a 3000 rpm (velocità superiori sono disponibili su richiesta).
Tipicamente questi torsiometri si prestano quindi per il monitoraggio di coppie sviluppate da organi rotanti, basati su sistemi a pulegge, quali ad esempio motori, generatori,
sistemi di pompaggio fluidi, sistemi HVAC, etc..
Grazie alla sua costruzione estremamente compatta, completa di puleggia multi-gola integrata, il torsiometro 01286 è particolarmente idoneo per tutte quelle applicazioni ove sia
prevista la trasmissione del moto, attraverso sistemi con pulegge.
Il torsiometro modello 01286, a meno di concordare versioni "custom" con il costruttore, è disponibile con un unico campo di misura (13,5 Nm), basato su una configurazione di strain gauges disposti a ponte di Weathstone intero (350 ohms). Quando fornito congiuntamente a dispositivi di misura o con visualizzatori offerti sempre dallo stesso costruttore del torsiometro (SDI), è possibile richiedere il trasduttore di coppia completato dalla funzione di autoidentificazione, grazie alla quale i dati di calibrazione, univoci, del singolo torsiometro, vengono immagazzinati su un modulo di memoria E2prom, e resi disponibili per automatica "scalizzazione" e calibrazione dello strumento di volta in volta collegato al trasduttore di coppia (per maggiori informazioni riferirsi al relativo articolo tecnico su opzione AutoID).
Torsiometro Modello 01286: caratteristiche principali
Torsiometro Modello 01286: cenni costruttivi
La struttura metallica a corpo unico del torsiometro 01286, viene ottenuta per lavorazione meccanica da barra metallica piena, onde evitare strutture sensorie assemblate o saldate, che peggiorerebbero la prestazione finale del trasduttore di coppia (sia in termini di accuratezza complessiva, ma soprattutto sotto forma di errore di isteresi). Tipicamente questa struttura metallica ospite viene sagomata in modo particolare rispetto al tipo di sollecitazione meccanica per cui la stessa viene finalizzata,
in modo da poter rilevare e "concentrare" gli effetti del fenomeno applicato, in zone specifiche della struttura stessa. In queste stesse zone, vengono deposte ed
incollate delle resistenze estensimetriche (strain gauges), che hanno la prerogativa di modificare il loro valore ohmico, in funzione della sollecitazione
meccanica alla quale sono stati sottoposti: questi estensimetri sono quindi elettricamente collegati a ponte di Weathstone intero, in modo da risultare
particolarmente sensibili ad ogni minima sollecitazione applicata, rispetto alla condizione di equilibrio, a riposo.
Ulteriori dispositivi passivi, garantiscono la termocompensazione del torsiometro (correggendo le derive termiche degli estensimetri) ed il bilanciamento a zero
della configurazione di estensimetri (riduzione della figura di offset), in modo che il segnale di trasduzione, a riposo, coincida (per quanto possibile),
con lo zero elettrico.
Tipicamente, la configurazione di estensimetri viene poi protetta con strati protettivi in elastomero (o altri materiali plastici) e/o con gusci metallici esterni protettivi.
Questo trasduttore di coppia non è amplificato, e pertanto si comporta come un dispositivo passivo puramente raziometrico, e per tale ragione il relativo segnale di uscita viene tipicamente definito come mV/V, ovvero mV di segnale per Volt di alimentazione: esemplificando e considerando un trasduttore di coppia con segnale di uscita pari a 2 mV/V, alimentato a 10 Vcc, si intende che lo span del segnale offerto, è pari a 2 mV x 10 Vcc => 20 mV di segnale (±20 mV per dispositivi bidirezionali, quali appunto il torsiometro, utilizzabile sia per sollecitazione oraria che antioraria).
L'accoppiamento elettrico tra la parte sensibile rotante (albero del torsiometro), e il contenitore statorico costruttivo esterno, viene realizzato mediante collettori costruiti in silver coin massiccio (lega in Ag e Cu, che per sua natura è altamente conduttiva), il cui ossido superficiale (che abbia eventualmente a svilupparsi, ad esempio in caso di prolungato inutilizzo), è un conduttore ancor migliore del silver coin stesso: soltanto utilizzando questi materiali, sarà infatti possibile veicolare segnali di pochi mV, anche ad elevate velocità di rotazione.
Torsiometro Modello 01286: codifica modelli e campi di misura
A meno di concordare con il costruttore versioni di prodotto "custom", si segnala che il torsiometro rotativo (puleggia dinamometrica) modello 01286, è disponibile unicamente con campo di misura da ±13,5 Nm (±120 inlbs), con velocità massime di rotazioni pari a 3000 rpm (prodotto speciale, non di serie).
Torsiometro Modello 01286: caratteristiche tecniche
Torsiometro Modello 01286: documentazione di riferimento
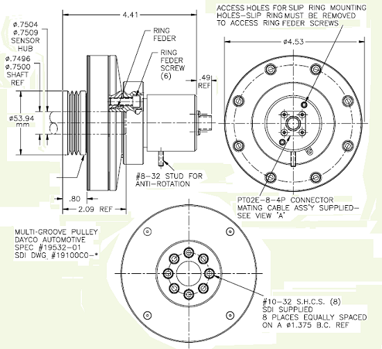
Torsiometro Modello 01286: disegno quotato
Le dimensioni indicate si intendono in inches.
Note:
(1) - Ogni trasduttore di coppia è fornito completo di certificati di taratura redatti direttamente dal costruttore (SDI), con riferibilità NIST (National Institute of Standard Technologies - USA), e comunque in accordo alle normative di riferimento ISO/IEC 17025:2005 ed ANSI/NCSL Z540-1-1994. Si segnala inoltre che il laboratorio interno ad SDI è accreditato A2LA, organismo che persegue il mutuo riconoscimento delle certificazioni emesse, insieme ai firmatari degli ulteriori accordi internazionali quali ad esempio APLAC, IAAC, e ILAC MRA (International Laboratory Accreditation Cooperation). Conferme circa la sottoscrizione dell’accordo MRA (Mutual Recognition Agreement di ILAC) da parte di A2LA, possono essere ottenute tramite il seguente hyperlink: http://www.a2la.org/recognition/cooplabs.cfm, mentre per quanto riguarda il nostro ente di riferimento Accredia (Ex SIT - Servizio di Taratura in Italia), parte del circuito Europeo EA (European Accreditation, che a sua volta persegue l'accordo multilaterale EA MLA), consigliamo di prendere completa ed attenta visione del seguente hyperlink: https://www.accredia.it/chi-siamo/rete-internazionale/.
Per quanto indicato, le certificazioni A2LA prodotte da SDI (a corredo di ogni trasduttore di coppia fornito), sono ritenute equipollienti alle certificazioni emesse con titolo Accredia: poiché gli hyperlinks descritti possono essere fatti oggetto di spostamenti e/o aggiornamenti, in caso di ogni possibile dubbio, Vi invitiamo a contattare direttamente l'organismo Accredia onde verificare l'effettiva consistenza e rispondenza di quanto sopra indicato.
(2) - Gli errori statici del torsiometro sono espressi come deviazione massima tra la retta reale e quella ideale e quindi il dato è privo di segno; altri costruttori esprimono queste figure di errore come comprese tra una banda di valori, tipicamente definita tra ±½ della massima deviazione, quali ad esempio la notazione BSL (Best Straight Line - Line of Best Fit), per la quale tipicamente l'errore è invece definito in una banda di errore (±0,0x %FS). Per maggiori delucidazioni, è possibile prendere visione circa le terminologie utilizzate dal costruttore, per esprimere le caratteristiche di errore riferite ai propri trasduttori di coppia (Transducer Definitions).
©1998-2019 Spare srl
Nel redigere il presente documento é stata prestata la massima cura affinché i relativi contenuti potessero riflettere le caratteristiche del prodotto descritto con la massima accuratezza: nonostante questi sforzi, in nessun caso Spare srl potrà essere fatta responsabile e/o perseguibile per eventuali inesattezze. Inoltre, in un ottica di continuo sviluppo e miglioramento dei prodotti proposti, si segnala che le informazioni riportate potrebbero essere non aggiornate all'ultima versione, in quanto ogni costruttore riserva i propri diritti nel poter ritirare o modificare la propria documentazione di prodotto, in ogni momento, senza preavviso. Conseguentemente, si consiglia di verificare, all'atto dell'acquisto, la veridicità e il grado di aggiornamento delle informazioni stesse.