Siete qui: catalogo ·forza e peso·cella di carico s-CKDescrizione: cella di carico a bottone compatta serie s-CK, idonea per misure di forza di compressione (campi da 200 kg a 2'500 kg).
Cella di carico a bottone, per misure di forza di compressione da realizzarsi in spazi contenuti (campi da 200 kg a 2'500 kg)
Cella di Carico Serie s-CK: generalità
Le celle di carico a bottone della serie s-CK sono dei dispositivi meccanici basati su strain gauges (estensimetri), pensati per il rilievo delle forze di compressione,
da realizzarsi tipicamente in condizioni di limitato spazio di installazione.
La cella di carico serie s-CK è disponibile con 4 diversi campi di misura, tutti basati su una configurazione di strain gauges disposti a ponte di Weathstone
intero (400/350 ohms).
Realizate in accordo alle norme OIML R60, le celle di carico serie s-CK, caratterizzate da dimensioni decisamente contenute, risultano particolarmente idonee per macchine
operatrici, sensori tattili in robotica ed automazione, così come per piccoli sistemi di pesatura, anche distribuiti su più punti.
Cella di Carico Serie s-CK: caratteristiche principali
buona accuratezza di misura;
esecuzione in acciaio 17-4PH, IP67;
trasduttori di forza termocompensati;
ampia gamma di campi di misura disponibili (da 200 kg a 2'500 kg);
costruzione corpo sensore senza saldature, lavorato da barra piena;
cella di carico fornita completa di slip di calibrazione.
su richiesta (opzionale), sono disponibili versioni approvate Atex (zone 0; 1; 2, 21 e 22).
Cella di Carico Serie s-CK: cenni costruttivi
La struttura metallica a corpo unico del torsiometro s-CK, viene ottenuta per lavorazione meccanica da barra metallica piena, onde evitare strutture sensorie
assemblate o saldate, che peggiorerebbero la prestazione finale del trasduttore di coppia (sia in termini di accuratezza complessiva, ma soprattutto sotto forma di
errore di isteresi). Tipicamente questa struttura metallica ospite viene sagomata in modo particolare rispetto al tipo di sollecitazione meccanica per cui la stessa
viene finalizzata,
in modo da poter rilevare e "concentrare" gli effetti del fenomeno applicato, in zone specifiche della struttura stessa. In queste stesse zone, vengono deposte ed
incollate delle resistenze estensimetriche (strain gauges), che hanno la prerogativa di modificare il loro valore ohmico, in funzione della sollecitazione
meccanica alla quale sono stati sottoposti: questi estensimetri sono quindi elettricamente collegati a ponte di Weathstone intero, in modo da risultare
particolarmente sensibili ad ogni minima sollecitazione applicata, rispetto alla condizione di equilibrio, a riposo.
Ulteriori dispositivi passivi, garantiscono la termocompensazione del torsiometro (correggendo le derive termiche degli estensimetri) ed il bilanciamento a zero
della configurazione di estensimetri (riduzione della figura di offset), in modo che il segnale di trasduzione, a riposo, coincida (per quanto possibile),
con lo zero elettrico.
Tipicamente, la configurazione di estensimetri viene poi protetta con strati protettivi in elastomero (o altri materiali plastici) e/o con gusci metallici esterni
protettivi.
I trasduttori di coppia di questa serie non sono amplificati, si comportano quindi come dispositivi passivi puramente raziometrici, e per tale ragione il loro segnale
di uscita viene tipicamente definito come mV/V, ovvero mV di segnale per Volt di alimentazione: esemplificando e considerando un trasduttore di coppia con segnale di
uscita pari a 2 mV/V, alimentato a 10 Vcc, si intende che lo span del segnale offerto, è pari a 2 mV x 10 Vcc => 20 mV di segnale (±20 mV per dispositivi
bidirezionali, quali appunto il torsiometro, utilizzabile sia per sollecitazione oraria che antioraria).
Cella di Carico Serie s-CK: codifica modelli e campi di misura
Le celle di carico della serie s-CK, sono disponibili unicamente con quattro campi di misura (utilizzo per sola compressione): 200, 500, 1'000 e 2'500 kg.
Cella di Carico Serie s-CK: caratteristiche tecniche
esecuzione: in acciaio 17-4 PH, basso profilo, IP67;
campo di misura: da 200 a 2'500 kg;
massimo sovraccarico statico: 1,2 volte il campo nominale;
segnale di uscita nominale: 1 mV/V di alimentazione, ±10%;
tensione di eccitazione massima: 15 Vcc;
errore combinato: migliore del ±0,3%;
bilanciamento di zero: ±1% FS;
campo in temperatura compensato: da –10°C a +50°C;
campo in temperatura operativo: da -20° C a +70°C;
effetti in temperatura sullo zero: 0,005% /°C;
effetti in temperatura sullo span 0,005% /°C;
impedenza del ponte (ingresso): 400 ohms (±100);
impedenza del ponte (uscita): 350 ohms (±5);
resistenza di isolamento: maggiore di 5'000 Mohms;
connessione elettrica: 5 mt di cavo con conduttori liberi;
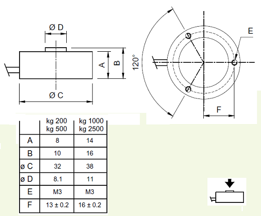
dimensioni: vedasi disegno sottostante, o documentazione PDF.
Cella di Carico Serie s-CK: documentazione di riferimento
Le celle di carico serie s-CK si sono rivelate particolarmente utili in relazione a macchine di montaggio automatiche, robotica, misurazione multi-punto,
macchine bobinatrici, macchine utensili, macchine prova autovetture, dispositivi elettromedicali, macchine per fitness, controlli qualitativi etc.
Siete qui: catalogo · forza e peso· cella di carico s-CK Descrizione: cella di carico a bottone compatta serie s-CK, idonea per misure di forza di compressione (campi da 200 kg a 2'500 kg).
Cella di carico a bottone serie s-CK
Cella di carico a bottone, per misure di forza di compressione da realizzarsi in spazi contenuti (campi da 200 kg a 2'500 kg)
Cella di Carico Serie s-CK: generalità
Le celle di carico a bottone della serie s-CK sono dei dispositivi meccanici basati su strain gauges (estensimetri), pensati per il rilievo delle forze di compressione, da realizzarsi tipicamente in condizioni di limitato spazio di installazione.
La cella di carico serie s-CK è disponibile con 4 diversi campi di misura, tutti basati su una configurazione di strain gauges disposti a ponte di Weathstone intero (400/350 ohms). Realizate in accordo alle norme OIML R60, le celle di carico serie s-CK, caratterizzate da dimensioni decisamente contenute, risultano particolarmente idonee per macchine operatrici, sensori tattili in robotica ed automazione, così come per piccoli sistemi di pesatura, anche distribuiti su più punti.
Cella di Carico Serie s-CK: caratteristiche principali
Cella di Carico Serie s-CK: cenni costruttivi
La struttura metallica a corpo unico del torsiometro s-CK, viene ottenuta per lavorazione meccanica da barra metallica piena, onde evitare strutture sensorie assemblate o saldate, che peggiorerebbero la prestazione finale del trasduttore di coppia (sia in termini di accuratezza complessiva, ma soprattutto sotto forma di errore di isteresi). Tipicamente questa struttura metallica ospite viene sagomata in modo particolare rispetto al tipo di sollecitazione meccanica per cui la stessa viene finalizzata,
in modo da poter rilevare e "concentrare" gli effetti del fenomeno applicato, in zone specifiche della struttura stessa. In queste stesse zone, vengono deposte ed
incollate delle resistenze estensimetriche (strain gauges), che hanno la prerogativa di modificare il loro valore ohmico, in funzione della sollecitazione
meccanica alla quale sono stati sottoposti: questi estensimetri sono quindi elettricamente collegati a ponte di Weathstone intero, in modo da risultare
particolarmente sensibili ad ogni minima sollecitazione applicata, rispetto alla condizione di equilibrio, a riposo.
Ulteriori dispositivi passivi, garantiscono la termocompensazione del torsiometro (correggendo le derive termiche degli estensimetri) ed il bilanciamento a zero
della configurazione di estensimetri (riduzione della figura di offset), in modo che il segnale di trasduzione, a riposo, coincida (per quanto possibile),
con lo zero elettrico.
Tipicamente, la configurazione di estensimetri viene poi protetta con strati protettivi in elastomero (o altri materiali plastici) e/o con gusci metallici esterni protettivi.
I trasduttori di coppia di questa serie non sono amplificati, si comportano quindi come dispositivi passivi puramente raziometrici, e per tale ragione il loro segnale di uscita viene tipicamente definito come mV/V, ovvero mV di segnale per Volt di alimentazione: esemplificando e considerando un trasduttore di coppia con segnale di uscita pari a 2 mV/V, alimentato a 10 Vcc, si intende che lo span del segnale offerto, è pari a 2 mV x 10 Vcc => 20 mV di segnale (±20 mV per dispositivi bidirezionali, quali appunto il torsiometro, utilizzabile sia per sollecitazione oraria che antioraria).
Cella di Carico Serie s-CK: codifica modelli e campi di misura
Le celle di carico della serie s-CK, sono disponibili unicamente con quattro campi di misura (utilizzo per sola compressione): 200, 500, 1'000 e 2'500 kg.
Cella di Carico Serie s-CK: caratteristiche tecniche
Cella di Carico Serie s-CK: documentazione di riferimento
Cella di Carico Serie s-CK: disegno quotato
Le dimensioni indicate si intendono in mm.
Cella di Carico Serie s-CK: schema connessioni
Cella di Carico Serie s-CK: applicazioni tipiche
Le celle di carico serie s-CK si sono rivelate particolarmente utili in relazione a macchine di montaggio automatiche, robotica, misurazione multi-punto, macchine bobinatrici, macchine utensili, macchine prova autovetture, dispositivi elettromedicali, macchine per fitness, controlli qualitativi etc.
©1998-2019 Spare srl
Nel redigere il presente documento é stata prestata la massima cura affinché i relativi contenuti potessero riflettere le caratteristiche del prodotto descritto con la massima accuratezza: nonostante questi sforzi, in nessun caso Spare srl potrà essere fatta responsabile e/o perseguibile per eventuali inesattezze. Inoltre, in un ottica di continuo sviluppo e miglioramento dei prodotti proposti, si segnala che le informazioni riportate potrebbero essere non aggiornate all'ultima versione, in quanto ogni costruttore riserva i propri diritti nel poter ritirare o modificare la propria documentazione di prodotto, in ogni momento, senza preavviso. Conseguentemente, si consiglia di verificare, all'atto dell'acquisto, la veridicità e il grado di aggiornamento delle informazioni stesse.