Siete qui: catalogo ·coppia·torsiometro 01165Descrizione: torsiometro statico flangiato serie 01165-01171, idoneo per misure di coppia di reazione (campi di misura da ±6 a ±22'600 Nm).
Torsiometri statici flangiati per la misura della coppia di reazione (campi di misura da ±6 Nm a ±22'600 Nm)
Torsiometro Serie 01165-01171: generalità
I torsiometri statici della serie 01165-01171 sono dei dispositivi meccanici basati su strain gauges (estensimetri), pensati per il rilievo della coppia di reazione
(oraria ed antioraria), o comunque per rilievi di coppia caratterizzati da rotazione limitata.
Tipicamente questi torsiometri si prestano quindi per il monitoraggio della
coppia di reazione, relativamente a sistemi di studio e verifica (banchi prova) di tipo statico o semi-statico, ovvero nell'ambito di sistemi non sottoposti a rotazioni complete.
Grazie alla sua costruzione estremamente compatta, il torsiometro 01165-01171 è particolarmente idoneo per quelle applicazioni ove lo spazio disponibile per la sua
installazione risulti particolarmente contenuto.
Il torsiometro serie 01165-01171 è disponibile con 17 diversi campi di misura, tutti basati su una configurazione di strain gauges disposti a ponte di Weathstone
intero (700/350 ohms).
Quando fornito congiuntamente a dispositivi di misura o con visualizzatori offerti sempre dallo stesso costruttore del torsiometro (SDI), è possibile richiedere il
trasduttore di coppia completato dalla funzione di autoidentificazione, grazie alla quale i dati di calibrazione, univoci, del singolo torsiometro, vengono immagazzinati
su un modulo di memoria E2prom, e resi disponibili per automatica "scalizzazione" e calibrazione dello strumento di volta in volta collegato al trasduttore di coppia
(per maggiori informazioni riferirsi al relativo articolo tecnico su opzione AutoID).
Torsiometro Serie 01165-01171: caratteristiche principali
buona accuratezza di misura;
trasduttori di coppia termocompensati;
possibilità di opzione AutoID per autoidentificazione;
ampia gamma di campi di misura disponibili (da 6 Nm a 22'600 Nm);
costruzione corpo sensore senza saldature, lavorato da barra piena;
torsiometro fornito completo di certificato di calibrazione A2LA(1), senza costi aggiuntivi.
Torsiometro Serie 01165-01171: cenni costruttivi
L'albero cavo (hollow) e le flangie del torsiometro 01165-01171, costituiscono la struttura metallica a corpo unico del torsiometro, ottenuta per lavorazione
meccanica da barra metallica piena, onde evitare strutture sensorie assemblate o saldate, che peggiorerebbero la prestazione finale del trasduttore di coppia (sia in termini
di accuratezza complessiva, ma soprattutto sotto forma di errore di isteresi).
Tipicamente questa struttura metallica ospite viene sagomata in modo particolare rispetto al tipo di sollecitazione meccanica per cui la stessa viene finalizzata,
in modo da poter rilevare e "concentrare" gli effetti del fenomeno applicato, in zone specifiche della struttura stessa. In queste stesse zone, vengono deposte ed
incollate delle resistenze estensimetriche (strain gauges), che hanno la prerogativa di modificare il loro valore ohmico, in funzione della sollecitazione
meccanica alla quale sono stati sottoposti: questi estensimetri sono quindi elettricamente collegati a ponte di Weathstone intero, in modo da risultare
particolarmente sensibili ad ogni minima sollecitazione applicata, rispetto alla condizione di equilibrio, a riposo.
Ulteriori dispositivi passivi, garantiscono la termocompensazione del torsiometro (correggendo le derive termiche degli estensimetri) ed il bilanciamento a zero
della configurazione di estensimetri (riduzione della figura di offset), in modo che il segnale di trasduzione, a riposo, coincida (per quanto possibile),
con lo zero elettrico.
Tipicamente, la configurazione di estensimetri viene poi protetta con strati protettivi in elastomero (o altri materiali plastici) e/o con gusci metallici esterni
protettivi.
I trasduttori di coppia di questa serie non sono amplificati, si comportano quindi come dispositivi passivi puramente raziometrici, e per tale ragione il loro segnale
di uscita viene tipicamente definito come mV/V, ovvero mV di segnale per Volt di alimentazione: esemplificando e considerando un trasduttore di coppia con segnale di
uscita pari a 2 mV/V, alimentato a 10 Vcc, si intende che lo span del segnale offerto, è pari a 2 mV x 10 Vcc => 20 mV di segnale (±20 mV per dispositivi
bidirezionali, quali appunto il torsiometro, utilizzabile sia per sollecitazione oraria che antioraria).
Torsiometro Serie 01165-01171: codifica modelli e campi di misura
Torsiometro Serie 01165-01171: caratteristiche tecniche
(1) - Ogni trasduttore di coppia è fornito completo di certificati di taratura redatti direttamente dal costruttore (SDI), con riferibilità NIST
(National Institute of Standard Technologies - USA), e comunque in accordo alle normative di riferimento ISO/IEC 17025:2005 ed ANSI/NCSL Z540-1-1994. Si segnala inoltre che il laboratorio interno ad SDI è
accreditato A2LA, organismo che persegue il mutuo riconoscimento delle certificazioni emesse, insieme ai firmatari degli ulteriori accordi internazionali
quali ad esempio APLAC, IAAC, e ILAC MRA (International Laboratory Accreditation Cooperation). Conferme circa la sottoscrizione dell’accordo MRA (Mutual
Recognition Agreement di ILAC) da parte di A2LA, possono essere ottenute tramite il seguente hyperlink:
http://www.a2la.org/recognition/cooplabs.cfm, mentre per quanto riguarda il nostro ente di riferimento
Accredia (Ex SIT - Servizio di Taratura in Italia), parte del circuito Europeo EA
(European Accreditation, che a sua volta persegue l'accordo multilaterale EA MLA), consigliamo di prendere completa ed attenta
visione del seguente hyperlink: https://www.accredia.it/chi-siamo/rete-internazionale/.
Per quanto indicato, le certificazioni A2LA prodotte da SDI (a corredo di ogni trasduttore di coppia fornito), sono ritenute equipollienti alle certificazioni
emesse con titolo Accredia: poiché gli hyperlinks descritti possono essere fatti oggetto di spostamenti e/o aggiornamenti, in caso di ogni possibile dubbio,
Vi invitiamo a contattare direttamente l'organismo Accredia onde verificare l'effettiva consistenza e rispondenza di quanto sopra indicato.
(2) - Gli errori statici del torsiometro sono espressi come deviazione massima tra la retta reale e quella ideale e quindi il dato è privo di segno; altri costruttori esprimono queste figure di errore come
comprese tra una banda di valori, tipicamente definita tra ±½ della massima deviazione, quali ad esempio la notazione BSL (Best Straight Line - Line of Best Fit), per la quale tipicamente l'errore è invece
definito in una banda di errore (±0,0x %FS). Per maggiori delucidazioni, è possibile prendere visione circa le terminologie utilizzate dal costruttore, per esprimere le caratteristiche di errore riferite ai propri
trasduttori di coppia (Transducer Definitions).
Siete qui: catalogo · coppia· torsiometro 01165 Descrizione: torsiometro statico flangiato serie 01165-01171, idoneo per misure di coppia di reazione (campi di misura da ±6 a ±22'600 Nm).
Torsiometro statico flangiato serie 01165-01171
Torsiometri statici flangiati per la misura della coppia di reazione (campi di misura da ±6 Nm a ±22'600 Nm)
Torsiometro Serie 01165-01171: generalità
I torsiometri statici della serie 01165-01171 sono dei dispositivi meccanici basati su strain gauges (estensimetri), pensati per il rilievo della coppia di reazione (oraria ed antioraria), o comunque per rilievi di coppia caratterizzati da rotazione limitata.
Tipicamente questi torsiometri si prestano quindi per il monitoraggio della
coppia di reazione, relativamente a sistemi di studio e verifica (banchi prova) di tipo statico o semi-statico, ovvero nell'ambito di sistemi non sottoposti a rotazioni complete.
Grazie alla sua costruzione estremamente compatta, il torsiometro 01165-01171 è particolarmente idoneo per quelle applicazioni ove lo spazio disponibile per la sua
installazione risulti particolarmente contenuto.
Il torsiometro serie 01165-01171 è disponibile con 17 diversi campi di misura, tutti basati su una configurazione di strain gauges disposti a ponte di Weathstone intero (700/350 ohms). Quando fornito congiuntamente a dispositivi di misura o con visualizzatori offerti sempre dallo stesso costruttore del torsiometro (SDI), è possibile richiedere il trasduttore di coppia completato dalla funzione di autoidentificazione, grazie alla quale i dati di calibrazione, univoci, del singolo torsiometro, vengono immagazzinati su un modulo di memoria E2prom, e resi disponibili per automatica "scalizzazione" e calibrazione dello strumento di volta in volta collegato al trasduttore di coppia (per maggiori informazioni riferirsi al relativo articolo tecnico su opzione AutoID).
Torsiometro Serie 01165-01171: caratteristiche principali
Torsiometro Serie 01165-01171: cenni costruttivi
L'albero cavo (hollow) e le flangie del torsiometro 01165-01171, costituiscono la struttura metallica a corpo unico del torsiometro, ottenuta per lavorazione meccanica da barra metallica piena, onde evitare strutture sensorie assemblate o saldate, che peggiorerebbero la prestazione finale del trasduttore di coppia (sia in termini di accuratezza complessiva, ma soprattutto sotto forma di errore di isteresi).
in modo da poter rilevare e "concentrare" gli effetti del fenomeno applicato, in zone specifiche della struttura stessa. In queste stesse zone, vengono deposte ed
incollate delle resistenze estensimetriche (strain gauges), che hanno la prerogativa di modificare il loro valore ohmico, in funzione della sollecitazione
meccanica alla quale sono stati sottoposti: questi estensimetri sono quindi elettricamente collegati a ponte di Weathstone intero, in modo da risultare
particolarmente sensibili ad ogni minima sollecitazione applicata, rispetto alla condizione di equilibrio, a riposo.
Ulteriori dispositivi passivi, garantiscono la termocompensazione del torsiometro (correggendo le derive termiche degli estensimetri) ed il bilanciamento a zero
della configurazione di estensimetri (riduzione della figura di offset), in modo che il segnale di trasduzione, a riposo, coincida (per quanto possibile),
con lo zero elettrico.
Tipicamente questa struttura metallica ospite viene sagomata in modo particolare rispetto al tipo di sollecitazione meccanica per cui la stessa viene finalizzata,
Tipicamente, la configurazione di estensimetri viene poi protetta con strati protettivi in elastomero (o altri materiali plastici) e/o con gusci metallici esterni protettivi.
I trasduttori di coppia di questa serie non sono amplificati, si comportano quindi come dispositivi passivi puramente raziometrici, e per tale ragione il loro segnale di uscita viene tipicamente definito come mV/V, ovvero mV di segnale per Volt di alimentazione: esemplificando e considerando un trasduttore di coppia con segnale di uscita pari a 2 mV/V, alimentato a 10 Vcc, si intende che lo span del segnale offerto, è pari a 2 mV x 10 Vcc => 20 mV di segnale (±20 mV per dispositivi bidirezionali, quali appunto il torsiometro, utilizzabile sia per sollecitazione oraria che antioraria).
Torsiometro Serie 01165-01171: codifica modelli e campi di misura
Torsiometro Serie 01165-01171: caratteristiche tecniche
Torsiometro Serie 01165-01171: documentazione di riferimento
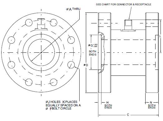
Torsiometro Serie 01165-01171: disegno quotato
Le dimensioni indicate si intendono in inches.
Note:
(1) - Ogni trasduttore di coppia è fornito completo di certificati di taratura redatti direttamente dal costruttore (SDI), con riferibilità NIST (National Institute of Standard Technologies - USA), e comunque in accordo alle normative di riferimento ISO/IEC 17025:2005 ed ANSI/NCSL Z540-1-1994. Si segnala inoltre che il laboratorio interno ad SDI è accreditato A2LA, organismo che persegue il mutuo riconoscimento delle certificazioni emesse, insieme ai firmatari degli ulteriori accordi internazionali quali ad esempio APLAC, IAAC, e ILAC MRA (International Laboratory Accreditation Cooperation). Conferme circa la sottoscrizione dell’accordo MRA (Mutual Recognition Agreement di ILAC) da parte di A2LA, possono essere ottenute tramite il seguente hyperlink: http://www.a2la.org/recognition/cooplabs.cfm, mentre per quanto riguarda il nostro ente di riferimento Accredia (Ex SIT - Servizio di Taratura in Italia), parte del circuito Europeo EA (European Accreditation, che a sua volta persegue l'accordo multilaterale EA MLA), consigliamo di prendere completa ed attenta visione del seguente hyperlink: https://www.accredia.it/chi-siamo/rete-internazionale/.
Per quanto indicato, le certificazioni A2LA prodotte da SDI (a corredo di ogni trasduttore di coppia fornito), sono ritenute equipollienti alle certificazioni emesse con titolo Accredia: poiché gli hyperlinks descritti possono essere fatti oggetto di spostamenti e/o aggiornamenti, in caso di ogni possibile dubbio, Vi invitiamo a contattare direttamente l'organismo Accredia onde verificare l'effettiva consistenza e rispondenza di quanto sopra indicato.
(2) - Gli errori statici del torsiometro sono espressi come deviazione massima tra la retta reale e quella ideale e quindi il dato è privo di segno; altri costruttori esprimono queste figure di errore come comprese tra una banda di valori, tipicamente definita tra ±½ della massima deviazione, quali ad esempio la notazione BSL (Best Straight Line - Line of Best Fit), per la quale tipicamente l'errore è invece definito in una banda di errore (±0,0x %FS). Per maggiori delucidazioni, è possibile prendere visione circa le terminologie utilizzate dal costruttore, per esprimere le caratteristiche di errore riferite ai propri trasduttori di coppia (Transducer Definitions).
©1998-2019 Spare srl
Nel redigere il presente documento é stata prestata la massima cura affinché i relativi contenuti potessero riflettere le caratteristiche del prodotto descritto con la massima accuratezza: nonostante questi sforzi, in nessun caso Spare srl potrà essere fatta responsabile e/o perseguibile per eventuali inesattezze. Inoltre, in un ottica di continuo sviluppo e miglioramento dei prodotti proposti, si segnala che le informazioni riportate potrebbero essere non aggiornate all'ultima versione, in quanto ogni costruttore riserva i propri diritti nel poter ritirare o modificare la propria documentazione di prodotto, in ogni momento, senza preavviso. Conseguentemente, si consiglia di verificare, all'atto dell'acquisto, la veridicità e il grado di aggiornamento delle informazioni stesse.